Tugas 7 : Rangkuman Fungsi Kombinasi Logika

Fungsi Kombinasi Logika



Setengah-penjumlah menerima dua digit biner pada inputnya dan menghasilkan dua biner
digit pada outputnya, bit, sum, dan carry bit




Half-Adder



 The Full-Adder 

Full-Adder menerima dua bit masukan dan input membawa dan menghasilkan jumlah keluaran dan keluaran membawa. Perbedaan dasar antara full-adder dan half-adder adalah full-adder menerima input carry.




Penambah penuh harus menambahkan dua bit masukan dan masukan membawa. Dari setengah penjumlah, jumlah bit input A dan B adalah OR-eksklusif dari kedua variabel tersebut. Untuk masukan carry (Cin) untuk ditambahkan ke bit input, itu harus eksklusif-ORed, dan hasil terakhir persamaan untuk penjumlahan keluaran penambah penuh.




Ini berarti bahwa untuk mengimplementasikan fungsi penjumlahan penuh, dua gerbang OR eksklusif-2 input dapat digunakan. Yang pertama harus menghasilkan istilah AB dan yang kedua memiliki inputnya output dari gerbang XOR pertama dan input carry. Output yang dibawa adalah 1 ketika kedua input ke XOR pertama gerbang adalah 1s atau ketika kedua input ke gerbang X O R kedua adalah 1s. Oleh karena itu, keluaran carry dari full-adder diproduksi dengan input A ANDed dengan B dan AB ANDed dengan C-in.


 Full Adder from Two Half-Adder Circuits 


 Parallel Binary Adder 

Satu penambah penuh mampu menambahkan dua angka 1-bit dan membawa masukan. Untuk menambahkan bilangan biner dengan lebih dari satu bit, kita harus menggunakan full-adders tambahan




Contoh : Tentukan jumlah yang dihasilkan oleh 3-bit penambah paralel




 Penambah Paralel Empat-Bit 




 Tabel Kebenaran untuk Penambahan Paralel 4-Bit 




Contoh : Gunakan kebenaran penambah paralel 4-bit tabel untuk menemukan jumlah dan keluaran bawa untuk dua 4-bit berikut angka jika input (Cn-1) adalah 0. A4A3A2A1 = 1100, B4B3B2B1 = 1100

Jawab : 






 Ekspansi Penambah 



Contoh:
Tunjukkan bagaimana dua penambah 74LS283 dapat dihubungkan untuk membentuk penambah paralel 8-bit. Tampilkan bit keluaran untuk nomor masukan 8-bit berikut :





jawab : 



 Pembanding 

Fungsi dasar pembanding adalah untuk membandingkan besarnya dua besaran biner untuk menentukan hubungan jumlah tersebut

- 1-Bit Comparator 
- 2-Bit Comparator 
- 4-Bit Comparator






Untuk menentukan pertidaksamaan bilangan biner A dan B, pertama bit urutan tertinggi di setiap nomor. maka kondisi yang memungkinkan :
1. Jika A3 = 1 dan B3 = 0, angka A lebih besar dari angka B
2. Jika A3 = 0 dan B3 = 1, angka A lebih kecil dari angka B
3. Jika A3 = B3 maka harus memeriksa posisi bit bawah berikutnya untuk menemukan ketidaksamaan

Contoh:
Tentukan keluaran A=B, A>B dan A<B untuk masukan tersebut nomor yang ditunjukkan pada Gambar di bawah ini:




 Dekoder 

- Dekoder biner
- Dekoder 4-bit
- Dekoder BCD-ke-desimal
- Dekoder BCD-ke-7-segmen





Contoh : Tentukan logika yang diperlukan untuk mendekode bilangan biner 1011 dengan
menghasilkan HiGH Level pada output




 Dekoder 4-Bit 

Untuk memecahkan kode semua kemungkinan kombinasi 4-bit, enam belas gerbang diperlukan (24 = 16). Jenis decoder ini biasanya disebut dekoder 4-baris-ke-16-baris atau dekoder 1-dari-16.




 Dekoder 74HC154 1 dari 16 




 Dekoder BCD-ke-Desimal 

BCD-ke-desimal mengubah setiap kode BCD menjadi satu dari sepuluh kemungkinan indikasi digit desimal. Ini sering disebut sebagai 4-decoder baris-ke-10-baris atau decoder 1-dari-10. Metode implementasinya sama seperti untuk decoder 1-dari-16.



 Dekoder Segmen BCD-ke-7 

Dekoder BCD-ke-7-segmen menerima kode BCD inputnya dan mendorong perangkat display 7-segmen untuk menghasilkan pembacaan desimal.

 Tabel Kebenaran untuk Dekoder Segmen BCD-ke-7 

 Encoders 

- Pembuat enkode desimal-ke-BCD
- Pembuat enkode 8 baris ke 3 baris

Encoder adalah rangkaian logika kombinasional pada dasarnya melakukan fungsi decoder "terbalik".

 Desimal ke BCD Encoder 




 Pembuat Enkode 8 Baris ke 3 Baris 



 Multiplexer (Pemilih Data) 

- Multiplexer (MUX) adalah perangkat yang memungkinkan digital informasi dari beberapa sumber untuk diteruskan ke saluran tunggal untuk transmisi melalui saluran tersebut ke
tujuan umum.
- Multiplexer dasar memiliki beberapa jalur input data dan satu jalur keluaran. 
- Ini juga memiliki input pemilihan data, yang memungkinkan digital data pada salah satu input yang akan dialihkan ke jalur keluaran

 1-of-4 data MUX 




 Multiplexer 
- Multiplexer yang lebih besar dapat dibuat dari yang lebih kecil.
- Multiplexer 8-ke-1 dapat dibuat dari yang lebih kecil multiplexer seperti yang ditunjukkan




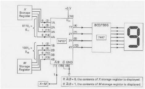
Contoh pengaplikasian :



 Demultiplexers 

- Demultiplexer (DEMUX) pada dasarnya membalik fungsi multiplexing. 
- Dibutuhkan informasi digital dari satu baris dan mendistribusikannya ke sejumlah keluaran
garis.

 1-to-4 Demux 



 1-to-8 Demux 




Contoh Aplikasi Mux-Demux




Ini memungkinkan berbagi satu jalur komunikasi di antara jumlah perangkat.
Kapan saja, hanya satu sumber dan satu tujuan yang dapat menggunakan jalur komunikasi.


Avis Tantra Mukti
2003015224
Sistem Digital dan Gelombang

Komentar

Postingan populer dari blog ini

Tugas 3. Rangkuman Materi Gerbang Logika

UHAMKA Gunakan Metode Online Learning Sehingga Perkuliahan Menjadi Lebih Mudah dan Menyenangkan

Avis Tantra Mukti : Kuliah Online UHAMKA Menggunakan Aplikasi Moodle